您好!欢迎访问温州海潮电器有限公司官方网站!
首页
|
联系我们
温州海潮电器有限公司
品牌 / 专业 / 可靠
全国咨询热线:
13968756934
首页
关于我们
公司环境
新闻资讯
产品中心
服务承诺
技术支持
联系我们
1
2
3
4
热门关键词:
CJ型一次接插件4B
JC型一次接插件3B
二次接插件
操作机构系列
推进机构系列
产品中心
CJ型一次接插件4B
JC型一次接插件3B
二次接插件
操作机构系列
推进机构系列
抽屉导轨系列
固定式转接件
铰链、解锁附件
绝缘子、母线框、母线夹系列
转接单元
全国服务热线
13968756934
铰链、解锁附件
当前位置:
首页
>
产品中心
>
铰链、解锁附件
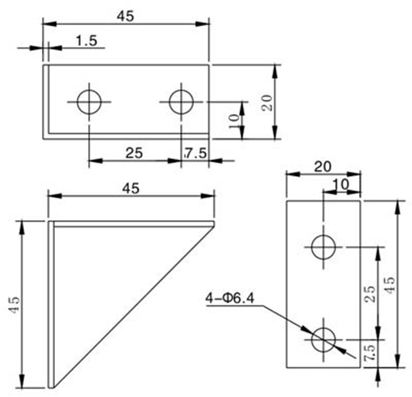
GLBK链接小三角
2016/5/21 14:26:57
本文链接:
http://www.yqhcdq.com/content/?191.html
点击次数:
更新时间:2016/5/21 14:26:57 【
打印此页
】 【
关闭
】
友情链接
成套配件
|
成套柜体配件
|